【海关知识】运动营养食品知多少?
新资源保健食品
运动营养食品知多少?
01运动营养食品概述
(一)定义:我国《食品安全国家标准 运动营养食品通则》(GB 24154-2015)对于运动营养食品的定义:
为满足运动人群(指每周参加体育锻炼3次及以上、每次持续时间30min及以上、每次运动强度达到中等及以上的人群)的生理代谢状态、运动能力及对某些营养成分的特殊需求而专门加工的食品。
通俗地说,运动营养食品是为爱好运动、经常从事运动、持续运动且有一定运动强度和运动量的人群,从运动科学、运动安全、身体健康等角度专门研发的相关食品,本质上属于食品而非保健品,常见的有粉类、棒类、饮料类等。
分类:GB 24154-2015分别根据特征营养素和运动项目对运动营养食品进行了分类。


按特征营养素分类

02运动营养食品的技术要求
运动营养食品中所使用的原料应符合相应的标准和/或相关规定,不得添加世界反兴奋剂机构禁用物质。GB 24154-2015对运动营养食品的感官要求、技术指标、污染物限量、真菌毒素限量、微生物限量等都有明确规定。
感官要求:运动营养食品的色泽、滋味、气味、组织状态、冲调性应符合相应产品的特性,不应有正常视力可见的外来异物。
技术指标
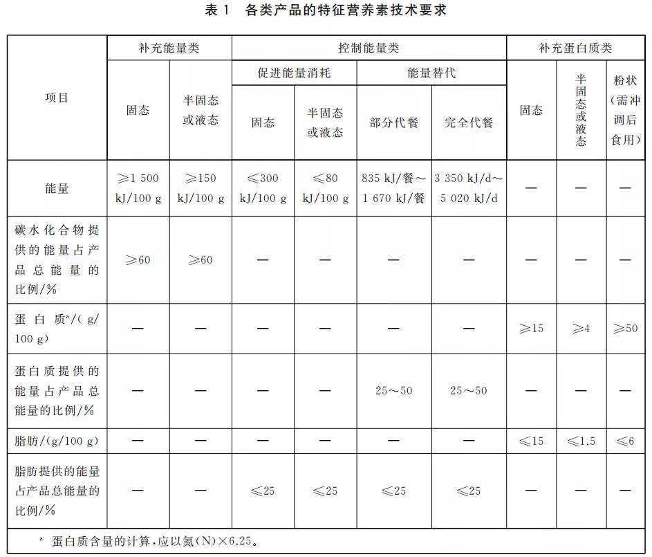
1.按特征营养素分类的各类产品需满足下表要求,其中补充蛋白质类产品中优质蛋白质所占比例应不低于50%。

2.按运动项目分类的各类产品中必需添加成分、建议添加成分和每日使用量应符合如下要求。




03进口运动营养食品监管
运动营养食品风靡全球,各个国家的标准和管理体系不同,其他国家的产品只有符合GB 24154-2015要求的,才可进口至中国。海关相关部门在对进口运动营养食品进行现场查验时,着重关注以下几点:
#1产品类别:
根据技术指标,确定产品属于补充能量类、控制能量类、补充蛋白质类、速度力量类、耐力类、运动后恢复类中的某一类。若无法满足其中六类中的任一类别,则不符合我国国家标准,不予入境。
#2中文标签
《中华人民共和国食品安全法》第六章第九十七条规定,“进口的预包装食品、食品添加剂应当有中文标签;依法应当有说明书的,还应当有中文说明书。标签、说明书应当符合本法以及我国其他有关法律、行政法规的规定和食品安全国家标准的要求,并载明食品的原产地以及境内代理商的名称、地址、联系方式。预包装食品没有中文标签、中文说明书或者标签、说明书不符合本条规定的,不得进口。”
运动营养食品的中文标签需符合《食品安全国家标准 预包装特殊膳食用食品标签》(GB 13432-2013)的要求,应当标明以下项目:

此外,GB 24154-2015对运动营养食品的标签内容有以下特殊规定:
(1)标签中应在主要展示面标示“运动营养食品”及产品所属分类。
(2)如有不适宜人群,应在标签中标识。
(3)对于添加了肌酸的产品应在标签中标示“孕妇、哺乳期妇女、儿童及婴幼儿不宜食用”。
#3食品添加剂和营养强化剂的使用
(1)运动营养食品中食品添加剂的使用可参照GB 2760中相同或相近食品类别中允许使用的添加剂种类和使用量。
(2)运动营养食品中营养强化剂化合物来源应符合GB 14880附录C的要求。
(3)食品添加剂和营养强化剂的质量规格应符合相应的标准和/或有关规定。
04如何选购进口运动营养食品
1.尽量选择正规商超、门店、网购平台进行选购,其货源有保证。
2.看中文标签。着重注意以下几点:
①产品类别。根据自己的实际情况选择适宜的类别,切忌盲目跟风。
②看配料表。尤其是按运动项目分类的三种类别,应含有其特征成分,即速度力量类——肌酸,耐力类——维生素B1和维生素B2,运动后恢复类——肽类。
③营养成分表。了解产品中能量、蛋白质、脂肪、碳水化合物、钠等营养素的含量和NRV%,按需选购。
④食用方法。按需、定量食用。
⑤生产日期、保质期。超过保质期的食品不能食用,切勿购买。
3.看封口。
注意封口严实,切勿购买内容物泄漏和有胀气的商品。
必要时可以向商家索要海关出具的《入境货物检验检疫证明》复印件,核对商品名称、原产国、生产日期、保质期、批号等信息是否一致。
科学、健康、合理的日常饮食是一切的基础,运动营养食品作为补充,二者不可本末倒置。消费者应按需选购符合我国法律法规和标准的运动营养食品,并遵照标签标注的食用方法,同时关注食用禁忌,为达到最佳运动效果提供饮食保障。
相关
-
【海关知识】运动营养食品怎么安排进口
2023-05-05 2023-05-05
2021年7月23日至8月8日,第32届夏季奥林匹克运动会在东京举办,随着我们中国运动健儿在赛场上奋勇拼搏,体育热也再次席卷全民。全员对个人身体的素质要求不断提升,体育用品及运 ...
-
【海关知识】特殊医学用途婴儿配方食品
2023-05-05 2023-05-05
特殊医学用途婴儿配方食品知多少 每年新出生婴儿中有一部分由于受各种疾病影响,不能喂养母乳或普通婴儿配方食品,最常见的情况有乳蛋白过敏、乳糖不耐受、早产及低出生体重不 ...
-
【海关知识】特殊膳食用食品进口的新规
2023-04-08 2023-04-08
特殊膳食用食品进口新规 一、什么是特殊膳食用食品? 根据《食品安全标准 预包装特殊膳食用食品标签》(GB 13432-2013),特殊膳食用食品是指为满足特殊的身体或生理状况和(或)满足 ...
-
【海关知识】如何进口DHA营养食品?
2023-04-08 2023-04-08
如何进口DHA营养食品? 一、什么是DHA DHA是神经系统细胞生长及维持的一种主要成分,是大脑和视网膜的重要构成成分,在人体大脑皮层中含量高达20%,在眼睛视网膜中所占比例最大, ...